Power supply unit PARC 120-15M

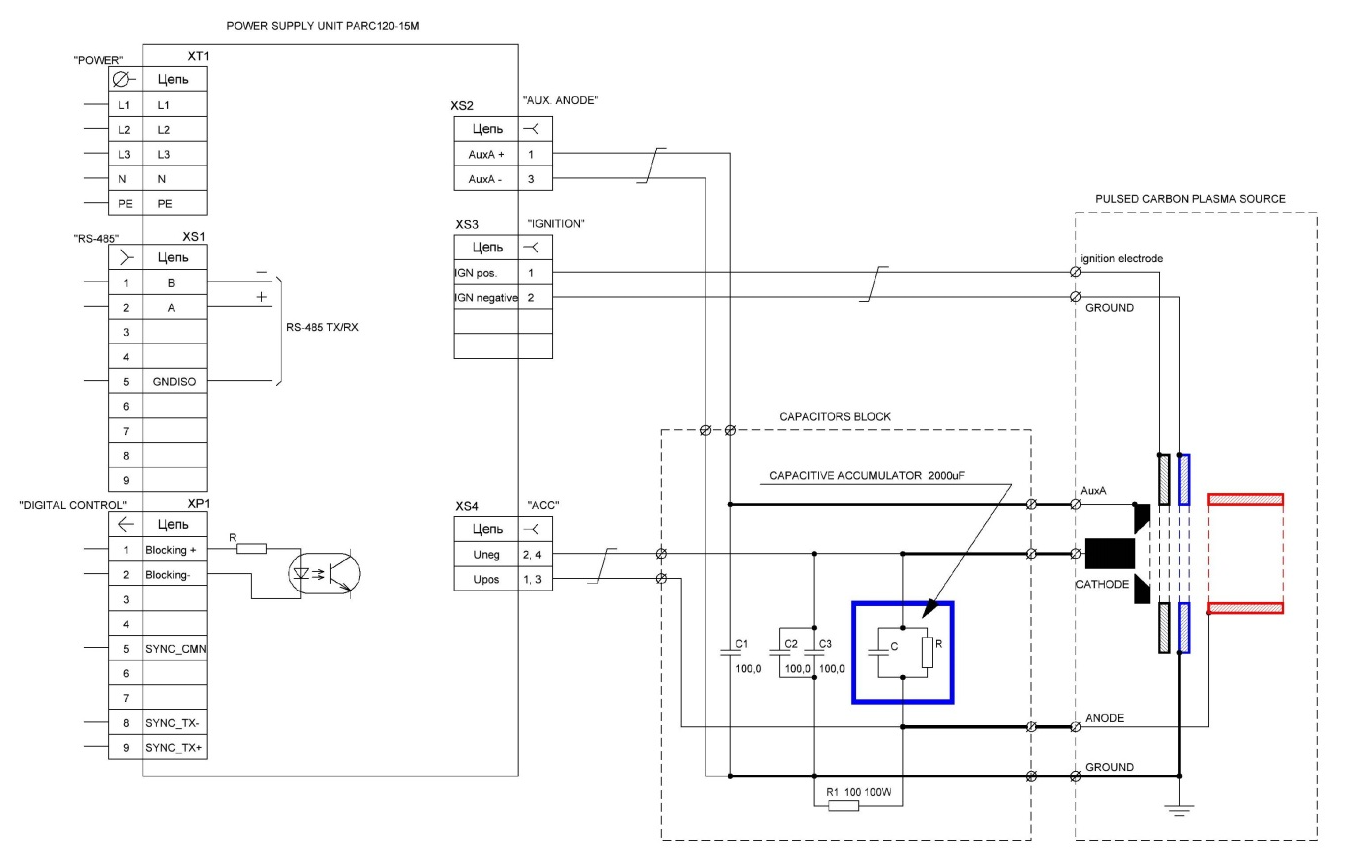
The PARC 120-15M power supply is designed to power and control the PARC 29 pulse electric arc evaporator. Pulsed electric arc evaporator is an electrophysical device according to the following scheme:

The control and power supply unit for the electric arc carbon plasma source provides power to the pulsed electric arc evaporator equipped with a capacitive energy storage with an electric capacity of up to 2 200 μF. The power source provides charging of the storage device up to the set voltage, power supply of the additional anode capacitor bank, and supply of the potential to the ignition electrode, which provides an initiating discharge. The power supply provides control of the pulsed electric arc evaporator by determining the repetition rate of the discharge pulses, the number of discharge pulses in the current cycle, controlling the number and ratio of the number of discharge initiation pulses (ignition pulses) and storage discharge pulses.
Specifications:
Accumulator charging voltage | 100 - 350 V |
Initialization pulse frequency (for capacitive accumulator of 2 000 uF) | 1 - 15 |
Max pulses quantity per cycle | 999 999 |
Capacity of the initiation pulses counter | 999 999 |
Capacity of the discharge pulses counter | 999 999 |
Initialization pulse voltage amplitude | 500 V |
Auxiliary anode supply voltage | 300 V |
Max power consumption | 10 kW |
Outer size | 4U, |
Weight | 30 kg |