Источник питания PARC 120-20/3

Источник питания PARC 120-20/3 предназначен для питания и управления импульсным электродуговым испарителем PARC 49 или PARC 29/3. Импульсный электродуговой испаритель представляет собой электрофизическое устройство по следующей схеме:

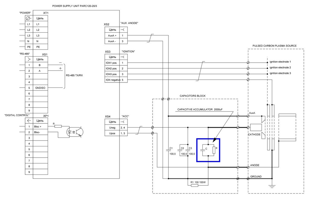
Блок управления и питания электродугового источника углеродной плазмы обеспечивает питание импульсного электродугового испарителя оснащенного емкостным накопителем энергии с электрической емкостью до 2000 мкФ. Источник питания обеспечивает заряд накопителя до установленного напряжения, питание блока конденсаторов дополнительного анода и подачу на поджигающий электрод потенциала обеспечивающего инициирующий разряд. Источник питания обеспечивает управление импульсным электродуговым испарителем определяя частоту следования импульсов разряда, количество импульсов разряда в текущем цикле, контролируя число и отношение количества импульсов инициирования разряда (импульсов поджига) и импульсов разряда накопителя.

Отличие источника питания от PARC 120-15M состоит в наличии трех каналов инициирования дугового разряда. Пользователем могут быть выбран для использования один, любые два или все три канала для управления генератором плазмы. Частота следования импульсов инициирования дугового разряда по каждому из каналов определяется как предустановленная пользователем величина, деленная на число каналов.

Источник питания обеспечивает следующие характеристики:

Напряжение заряда накопителя U acc 100 – 350 В
Частота следования импульсов инициирования разряда 1 – 20 Гц с шагом 1 Гц
Максимальное число импульсов в одном цикле 999 999
Емкость счетчика импульсов инициализации 999 999
Емкость счетчика импульсов разряда 999 999
Напряжение инициирования дугового разряда U ign ≥ 500 В
Напряжение питания дополнительного анода Uaa ≥ 310 В
Максимальная потребляемая от питающей сети мощность 10 кВА
Габариты источника питания ≤ 4U, D = 495 мм
Вес источника питания ≤ 30 кг

В комплект поставки источника питания входят:

  • блок питания
  • ответные части соединителей установленных на блоке
  • техническое описание и инструкция по эксплуатации

В комплект поставки не входят:

  • емкостной накопитель энергии разряда (аккумулятор)
  • блок конденсаторов дополнительного анода.