Источник питания PARC 120-15M

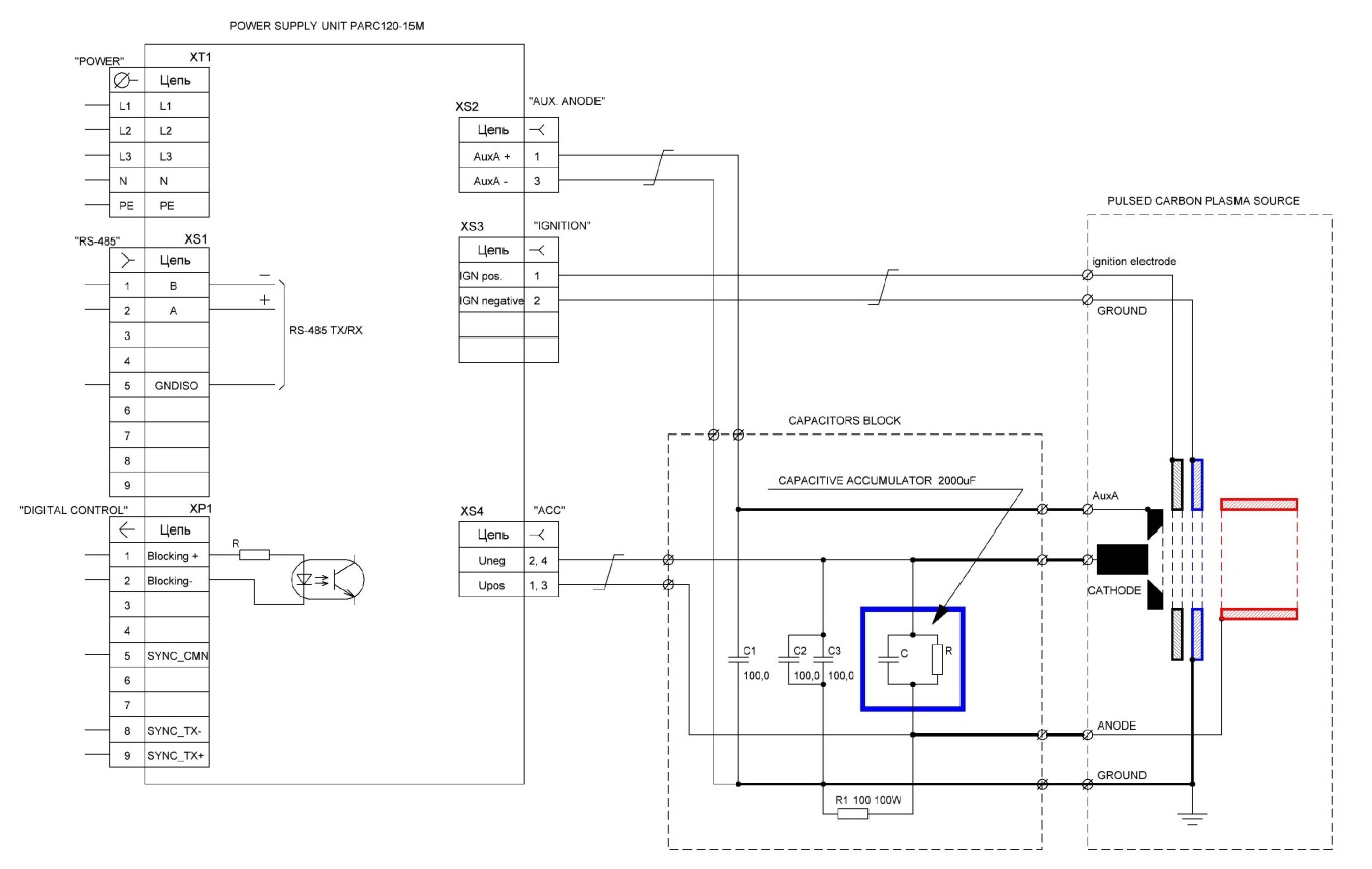
Источник питания PARC 120-15M предназначен для питания и управления импульсным электродуговым испарителем PARC 29. Импульсный электродуговой испаритель представляет собой электрофизическое устройство по следующей схеме:

Блок управления и питания электродугового источника углеродной плазмы обеспечивает питание импульсного электродугового испарителя оснащенного емкостным накопителем энергии с электрической емкостью до 2 200 мкФ. Источник питания обеспечивает заряд накопителя до установленного напряжения, питание блока конденсаторов дополнительного анода и подачу на поджигающий электрод потенциала обеспечивающего инициирующий разряд. Источник питания обеспечивает управление импульсным электродуговым испарителем определяя частоту следования импульсов разряда, количество импульсов разряда в текущем цикле, контролируя число и отношение количества импульсов инициирования разряда (импульсов поджига) и импульсов разряда накопителя.
Источник питания обеспечивает следующие характеристики:
Напряжение заряда накопителя U acc | 100 – 350 В |
Частота следования импульсов инициирования разряда | 1 – 15 Гц с шагом 1 Гц |
Максимальное число импульсов в одном цикле | 999 999 |
Емкость счетчика импульсов инициализации | 999 999 |
Емкость счетчика импульсов разряда | 999 999 |
Напряжение инициирования дугового разряда U ign | ≥ 500 В |
Напряжение питания дополнительного анода Uaa | ≥ 310 В |
Максимальная потребляемая от питающей сети мощность | 10 кВА |
Габариты источника питания | ≤ 4U, |
Вес источника питания | ≤ 30 кг |
В комплект поставки источника питания входят:
- блок питания
- ответные части соединителей установленных на блоке
- техническое описание и инструкция по эксплуатации
В комплект поставки не входят:
- емкостной накопитель энергии разряда (аккумулятор)
- блок конденсаторов дополнительного анода.